
- Kepala penutup: 2 keping pemanduan servo-moto
- Voltan: 220V, 50/60HZ;
- Kuasa: 3.0Kw
- Tekanan udara: 0.5–0.7Mpa
- Ampere: 8.5A
- Kelajuan: 40-45/min (disesuaikan mengikut bentuk & saiz balang)
- Diameter produk yang sesuai: penutup φ28-φ125mm(Tidak standard disesuaikan)
- Kadar lulus kelenjar: ≥99.5%(Bergantung pada ralat penutup dan botol)
- Saiz mesin: 3300*1150mm*1908mm
- Berat: 450kg
Sebelum anda menghidupkan kuasa mesin. Sila baca manual ini dengan teliti untuk perkara keselamatan dan penggunaan mesin yang betul. Untuk mengelakkan kemalangan kakitangan dan mengurangkan kekerapan kerosakan mesin.
Dalam kes produk yang menghakis, berhati-hati untuk mengelakkan objek yang menghakis menyentuh atau terpercik pada mesin itu sendiri dan kakitangan.
- Elakkan menggunakan mesin di tempat yang tertakluk kepada getaran atau perlanggaran.
- Apabila mesin berjalan, badan kakitangan tidak boleh menyentuh bahagian yang bergerak.
- Mesin harus dielakkan di tempat yang terlalu lembap. Dan masukkan ke dalam bekalan kuasa, wayar bumi dibumikan dengan betul, Untuk mengelakkan kemalangan keselamatan.
- Pengendali harus mengekalkan keadaan fizikal dan mental yang normal, Jika anda mengambil alkohol, pil tidur, atau ubat lain yang memudaratkan keadaan mental anda, hentikan operasi mesin.
- Pengendali mesti memakai pakaian yang sesuai untuk mengelakkan kecederaan yang disebabkan oleh penglibatan pakaian dalam bahagian bergolek dan tidak boleh meletakkan sebarang barang tambahan pada mesin.
- Jika bunyi bising atau keabnormalan lain berlaku semasa penggunaan, hentikan serta-merta dan periksa.Juruteknik bukan kejuruteraan, sila jangan sewenang-wenangnya memindahkan bahagian mesin.
- Penyelenggaraan dan penjagaan yang kerap (sekali/seminggu), mengelakkan air atau sebarang percikan cecair dan kotak kawalan elektronik, atau komponen elektrik lain semasa membersihkan mesin.
- Sila kendalikan mengikut prosedur operasi biasa dan pastikan permukaan mesin bersih dan kemas.
Mesin capper digunakan untuk semua jenis kosmetik, perubatan, perubatan veterinar, racun perosak, minyak pelincir dan bidang perindustrian lain dalam proses pembungkusan.





Prinsip dan Ciri-ciri mesin penutup balang:
- Kawalan automatik elektrik, ia stabil;
- Dengan peranti penentu kedudukan capping, standard penutup berkunci, operasinya mudah;
- Kunci penutup julat yang luas, boleh berputar pelbagai bentuk spesifikasi topi;
- Had kelajuan, penjara putaran, pada masa yang sama juga mungkin mengikut keperluan untuk melaraskan tightnessof gulung semula.


Parameter asas mesin penutup balang kosmetik:

1. Penutup kepala: 2 pcs pemanduan servo-moto
2. Voltan: 220V, 50/60HZ;
3. Kuasa: 3.0Kw
4. Tekanan udara: 0.5--0.7Mpa
5. Ampere: 8.5A
6. Kelajuan: 40-45/min (disesuaikan mengikut bentuk & saiz balang)
7. Diameter produk yang sesuai: φ28-φ125mm tudung(Tidak standard disesuaikan)
8. Kadar lulus kelenjar:≥99.5%(Bergantung pada ralat penutup dan botol)
9. Saiz mesin:3300*1150mm*1908mm
10. Berat: 450kg
Penerangan Bahagian Hos


Suis kuasa: Kawal bekalan kuasa hidup---mati。
Penunjuk kuasa: hidupkan kuasa—lampu hijau hidup, matikan kuasa---lampu hijau mati.
Berhenti kecemasan: Digunakan untuk menghentikan mesin serta-merta atau untuk menetapkan semula fungsi semasa kecemasan atau kerosakan.
1. Mulakan fotoelektrik: Mesin sedang beroperasi, apabila pengesanan fotoelektrik mengesan bahawa terdapat botol dan mempunyai penutup, Meja putar boleh mula berfungsi. Jika salah satu daripada dua fotoelektrik tidak dikesan, meja putar tidak berputar.
2. Fotoelektrik asal: Ia digunakan untuk mengawal motor loncatan untuk memacu kedudukan meja putar, supaya botol boleh dimasukkan ke dalam penutup dengan lancar.
3. Fotoelektrik topi: Periksa sama ada penutup berada di tempatnya dan secara fotoelektrik mengesan bahawa terdapat meja putar penutup untuk berputar.
4. Fotoelektrik penutup: Mengawal permulaan dan henti mesin penutup atas, apabila penutup yang disediakan oleh mesin penutup atas diisih mengikut kedudukan yang dikesan oleh fotoelektrik, fotoelektrik sentiasa terang, mesin penutup berhenti untuk penutup, dan penutup pintar dilaksanakan .
5. Fotoelektrik penutup kunci: Apabila botol dengan penutup melepasi, pengesanan fotoelektrik dikesan, dan penutup kunci digerakkan mengikut masa tunda yang ditetapkan (parameter khusus dilaraskan mengikut kelajuan tali pinggang penghantar apabila mesin dilaraskan).
6. Sistem penutup kunci: Botol dengan penutup adalah sama, kelewatan mula fotoelektrik, kelewatan ke botol pengapit silinder, penutup kunci diturunkan, penutup cengkaman - penutup skru - pelepas penggenggam - penutup kunci naik - botol klip dilonggarkan, dan proses penutup kunci selesai. Dalam penutup kunci, apabila penutup kunci 1# berada dalam penutup kunci, botol lain masuk. Pada masa ini, silinder botol pengapit 2# bergerak, dan penutup kunci 2# diaktifkan untuk mengunci penutup.(Apabila penutup yang telah dikunci oleh kepala kunci 2# melepasi botol klip 1#, jangan ulangi penutup kunci.

Penerangan antara muka manusia-mesin

Halaman but
3.1 Halaman but mempunyai pilihan operasi Inggeris, Cina, jika anda memilih butang Cina, masukkan antara muka berikut:

Antara muka kedua
Berhenti: Suis permulaan seluruh mesin, sentuh kekunci ini, mesin berjalan dalam mod automatik, sentuh sekali lagi kekunci ini, mesin berhenti berjalan.
Pintu ujian: Uji operasi mesin.
Kelajuan meja putar: Lebih besar parameter kelajuan, lebih cepat kelajuan, lebih perlahan parameter kelajuan.(Tetapi ada had maksimum.)。
Kelewatan meja putar: Tetapan masa permulaan meja putar, selaras dengan kesan lancar meja putar untuk ditetapkan.
Kelewatan had: Selepas meja putar ke stesen yang ditetapkan, tangguhkan masa menunggu, topi tindakan silinder.
Masa had: Masa yang diperlukan untuk mengelak silinder.
Output: Lengkapkan rekod bilangan penutup kunci, kiraan pengeluaran yang mudah. Tekan kekunci-set semula untuk mengosongkan.
X1. X3. X14: Periksa sama ada fotoelektrik berada dalam keadaan kerja pantulan, mudah untuk melihat operasi keadaan mesin,
Parameter pengehadan: Tekan kekunci ini dan masukkan antara muka berikut:

Antara muka ialah halaman parameter yang akan ditetapkan untuk setiap tindakan kepala kunci 1 # dalam sistem penutup kunci servo, tetapan parameter yang munasabah bermanfaat kepada kestabilan mesin dan peningkatan kecekapan.
kembali: Tekan butang ini untuk kembali ke antara muka kedua.
I/O: Tekan butang ini untuk memasuki antara muka berikut:

Mata siri X: Adakah titik input untuk mengesan sama ada fotoelektrik berada dalam keadaan kerja, mudah untuk melihat operasi mesin, penyelenggaraan mudah.
Mata siri Y: Adakah titik output komponen eksekutif keadaan biasa maklum balas, juga boleh menekan kekunci kawalan secara manual untuk menguji sama ada komponen pelaksanaan adalah normal.
Sistem penyuap topi: Boleh stabil dan teratur mengikut arah yang ditetapkan untuk menutup.
Pelarasan kecondongan: sudut yang munasabah boleh dilaraskan untuk mengawal penutup belakang tidak memanjat ke dalam slaid.
Peraturan penukar frekuensi: mengawal kelajuan penutup.


Penyelenggaraan Peralatan Penutup Balang:
1. Kekalkan mesin dalam keadaan mati dan gas dimatikan untuk memastikan keselamatan. Pastikan mesin bersih dan kemas, tiada barang-barang pada mesin, tiada barang kecil, aksesori, bolt, dsb.
2. Dan minyak pelincir sentiasa ditambah pada mekanisme bahagian bergerak untuk memastikan keadaan berjalan yang baik bagi mekanisme.
3. Keluarkan air dari unit penapis udara dengan kerap dan tambah minyak pelincir untuk memastikan penggunaan silinder yang betul dan memanjangkan hayat perkhidmatan.
4. Periksa dan baiki mesin dengan kerap. Nilaikan keadaan berjalan peralatan melalui penglihatan dan telinga untuk memastikan mesin berfungsi dengan baik.
Nota: sila gunakan dan menyelenggara mengikut ketat dengan arahan, tempoh jaminan adalah dilarang sama sekali untuk membuka dan membuka, jika tidak kerosakan yang disebabkan oleh ini sebagai kerosakan manusia, tiada pembaikan percuma. Arahan ini tertakluk kepada perubahan tanpa notis; jika masih terdapat sebarang ketidakpastian tentang pengendalian mesin ini, sila hubungi kami pada bila-bila masa untuk pertanyaan
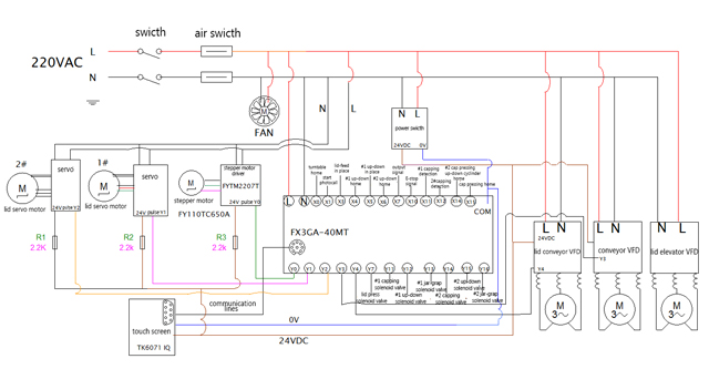
Skema elektrik yang dilampirkan:

Penutup tertutup yang telah siap mencontohi mesin penutup balang:





Markah: untuk balang hitam persegi kerana penutupnya mudah tercalar, ia direka dengan sistem pengambilan untuk menarik penutup balang keluar dari dulang dan meletakkannya ke dalam stesen sedia capping untuk proses penutupan penutup. Prinsip kerja terperinci digambarkan seperti berikut: Proses kerja:
1. Manual meletakkan penutup dalam dulang (15*15 atau 10*10)

2. Meletakkan dulang di stesen pengambilan sedia
3. Robot mengambil balang

4. Meletakkan botol dan selesai proses penutupan
5. Keluaran balang bertutup











