
- Kelajuan penutup: 15-30 keping/min
- Voltan terkadar: 110V/60Hz (Standard AS)
- Kuasa Mesin: 0.8KW
- Ampere: 2.2A
- Dimensi luaran: 2230*1460*1600 MM(L*W*H)
- Tekanan Udara: 0.7 MPa
- Berat: Kira-kira 300 KG
Pemberitahuan Sebelum Memulakan Mesin Penutup Botol
1: Sebelum mesin dipasang, pastikan suis kuasa berada dalam keadaan tertutup, dan kemudian ikut arahan.
2: Jika mesin tidak berfungsi dalam masa yang lama, ia hendaklah disapu dengan sekeping kain kering dan tidak boleh dibersihkan dengan sebarang agen pembersih yang menghakis.
3: Dilarang sama sekali untuk menyemburkan sebarang cecair ke dalam kotak elektrik mesin, untuk mengelakkan kakisan pada komponen elektrik dalaman dan menyebabkan litar pintas.
4: Semak mengikut model senarai pembungkusan peralatan, spesifikasi dan kuantiti peralatan dan bahan untuk memastikan ia memenuhi keperluan piawaian reka bentuk dan produk serta disertakan dengan sijil pematuhan.
5: Periksa rupa peralatan untuk memastikan ia bebas daripada sebarang ubah bentuk, kerosakan dan kakisan, dan semua gelendong yang ia harus berputar secara fleksibel tanpa sebarang sekatan.
6: Mesin ini berfungsi di bawah AC 110V fasa tunggal, dan palam kuasa berkaki 3 yang rata hendaklah disambungkan ke soket kuasa dengan wayar pembumian.
Parameter Teknikal

- Kelajuan penutup: 15-30 keping/min
- Voltan terkadar: 110V/60Hz (Standard AS)
- Kuasa Mesin: 0.8KW
- Ampere: 2.2A
- Dimensi luaran: 2230*1460*1600 MM(L*W*H)
- Tekanan Udara: 0.7 MPa
- Berat: Kira-kira 300 KG
Mesin Capping Dalam Butiran:



Struktur Mesin

Penerangan Mata Elektrik Gentian Optik
Mata Elektrik Untuk Mengesan Botol:

Apabila ia dikendalikan dalam mod automatik, tujuan mata elektrik ini adalah untuk mengesan botol masuk.
Apabila botol masuk dikesan, "meja putar" berputar.
Mata Elektrik Penghantar Tudung

Apabila ia dikendalikan dalam mod automatik, tujuan mata elektrik ini adalah untuk mengesan penutup masuk.
Apabila penutup masuk dikesan, "mekanisme pengambilan keluar" naik untuk mengambil bahan.
Mata Elektrik Penghantar Tudung

Apabila ia dikendalikan dalam mod automatik: Tujuan mata elektrik ini adalah untuk mengesan botol masuk.
Apabila botol masuk dikesan, "mekanisme penutup kunci" memutar penutup kunci ke bawah.
Butang Suis Dan Pelabuhan Pendawaian
Skrin Sentuh Dan Berhenti Kecemasan

Pengawal plat getaran motor suapan dan penutup

Pengawal plat getaran

Pengawal plat getaran: Dengan melaraskan voltan, laraskan kelajuan nyahcas.
Suis kuasa dan soket

Pengawal motor

Pengubah frekuensi: Dengan melaraskan butang pengubah frekuensi, laraskan kelajuan motor.
Kaedah Penggera Dan Penyelesaian Masalah:
1. Hentian kecemasan telah ditekan. Tolak hentian kecemasan pada penutup mesin dan di sebelah skrin sentuh.
2. Output mencapai nilai yang ditetapkan. Tetapkan output, tekan butang jelas untuk mengosongkan output semasa.
3. Apabila topi tidak dikesan untuk jangka masa yang lama, sila semak. Periksa gentian aruhan penutup botol sama ada ia disediakan dengan baik. Periksa sama ada penutup dipasang atau tidak.
4. Apabila botol tidak dikesan untuk jangka masa yang lama, sila semak. Periksa sama ada botol berada di tempatnya.
Pelarasan Mata Elektrik:
Struktur Penguat

Rajah Untuk Gentian Optik:

1. Bar kunci gentian optik
2. Penunjuk status operasi
3. Tetapkan
4. Lampu penunjuk DSC
5. Monitor digital
6. Butang manual
7. Penutup perlindungan lanjutan
8. Penyambung pengembangan
9. Suis Pemilih Kuasa
10. Butang mod
11. Pemilih keluaran
12. Kabel
13. Pelindung habuk
14. Tetapkan nilai (dalam hijau)
15. Nilai semasa (Merah)
Proses Kerja Untuk Tetapan Gentian Optik
- Apabila mata elektrik jatuh ke dalam celah, nilai arus merah ialah 144.
- Apabila mata elektrik jatuh pada label, nilai arus merah ialah 4.
- Laraskan nilai set", kira-kira 1/2 daripada nilai mata elektrik pada kertas badan (dalam celah antara objek yang akan dikesan) dan nilai mata elektrik pada kertas nilai set ialah (144 4)/2=74, laraskan butang manual untuk melaraskan nilai yang ditetapkan menjadi 74.
- Gerakkan celah label ke depan dan ke belakang di lokasi mata elektrik dan "lampu isyarat/lampu penunjuk" merah.
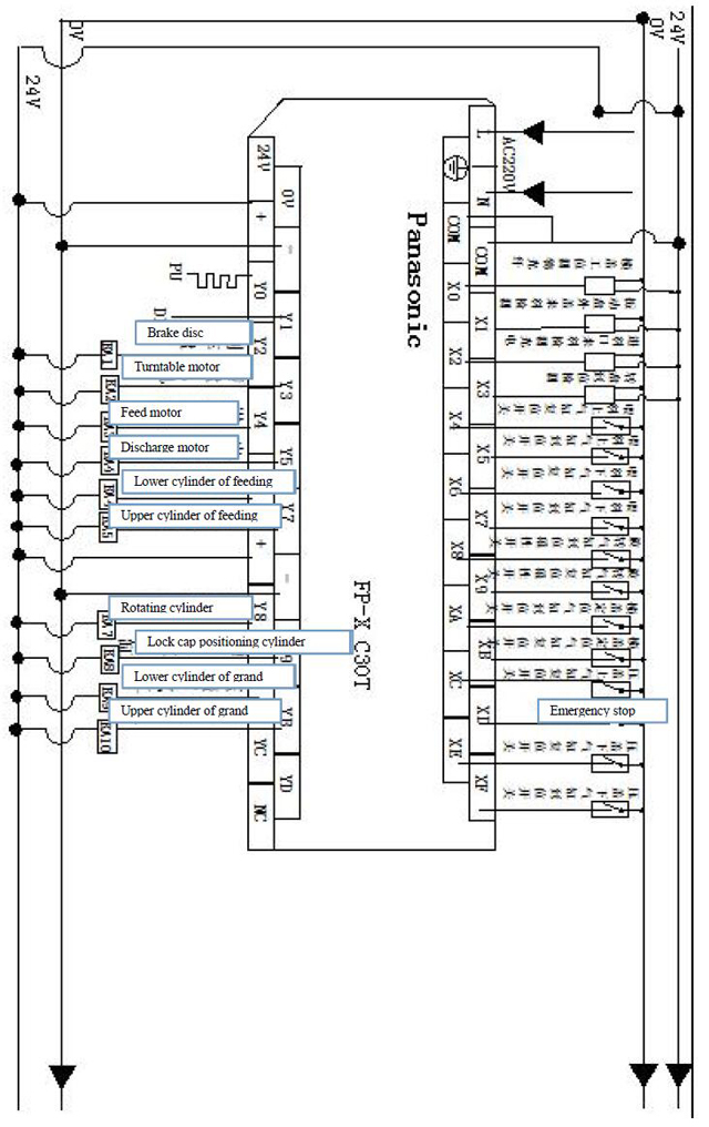
Rajah Litar



Mesin Penutup Botol Penyelenggaraan

1. Ia adalah perlu untuk memeriksa dan menyelenggara mesin untuk memanjangkan mesin dan mengoptimumkan fungsi mesin;
- Mesin kerja hendaklah diselenggara setiap tiga bulan;
- Bahagian galas dan transmisi gear mesti dilincirkan dengan gris;
- Pelinciran mesti dilakukan secara berkala;
- Minyak jalan slaid (N68) perlu ditambah ke dalam bahagian seperti gerakan mekanisme salingan atau mengangkat dua kali setiap hari;
- Minyak kereta (N68) hendaklah ditambah ke dalam bahagian berputar atau berayun;
- Setiap setengah bulan tambah gris ke dalam slot cam;
- Setiap bulan sekali untuk muncung minyak dengan menambah gris;
2. Jangan sekali-kali menggunakan alat logam untuk memukul atau mengikis permukaan di mana ikatan terkumpul pada bahagian seperti komponen atau acuan.
3. Jika mesin berhenti berjalan untuk masa yang lama tambah gris untuk pelinciran di bahagian seperti bahagian transmisi atau galas; Juga merawat mesin dengan perlindungan kalis air。
4. Jangan sekali-kali meletakkan sebarang objek pada mesin supaya tidak merosakkan mesin.
5. Bersihkan habuk di dalam komponen secara berkala juga periksa semua skru dan betulkan mana-mana skru yang longgar.
6. Periksa skru di terminal untuk pendawaian pada masa tertentu dan pastikan skru dibetulkan;
7. Periksa sama ada terdapat stesen longgar di laluan pendawaian yang diregangkan dari kotak elektrik; Jika bahagian terlalu longgar, pasang semula skru untuk mengelakkan lelasan atau kerosakan pada lapisan penebat yang boleh menyebabkan kebocoran elektrik.
8. Periksa tepuk yang mudah dipakai dan tukar yang rosak tepat pada masanya;









