
- Mesin basuh botol kaca VK-BR
- Mesin pengisian minyak VK-PF 4 kepala
- Mesin penyekat vakum VK-VC
- Mesin pelabelan botol bulat VK-RPL
Talian pengisian automatik sepenuhnya boleh disesuaikan mengikut keperluan pelanggan dan sampel yang ditawarkan oleh pembeli. Seperti di bawah, terdapat senarai maklumat asas untuk talian pengisian automatik sepenuhnya untuk industri makanan:
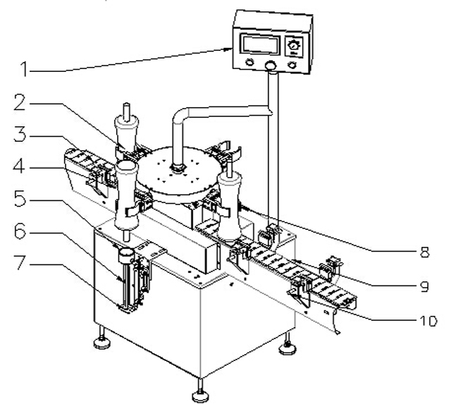
Botol Kaca Air Washing Machien Peralatan Pencuci Vakum
Ia adalah mesin basuh botol automatik melalui udara. kapasiti bergantung pada muncung pencuci udara.
Pemampat udara mengangkut udara di dalam bekas vakum, gas melalui injap solenoid dan penjana ion telah disucikan, syampu gas trakea meniup gas ke dalam botol melalui mulut basuh gas, meniup asing keluar dari mulut cucian gas dengan tekanan gas, belakang trakea gas buangan habis ke luar melalui kawalan pelepasan.

| 1 | Panel kawalan | 2 | Botol |
| 3 | Tali pinggang untuk botol suapan | 4 | Sensor untuk penyusuan botol |
| 5 | struktur penetapan botol | 6 | Membilas injet |
| 7 | Tuyere elektrostatik | 8 | Titik penetapan botol |
| 9 | Tali pinggang untuk pengeluaran botol | 10 | Bar panduan |
Parameter Asas Mesin Basuh Udara Berputar Automatik Untuk Botol Kaca:

Model: VK-BR
Saman ke botol: 20-1000ml
Kapasiti Pengeluaran: 8 muncung pembersihan: 3600~4800bph
Julat tekanan udara: 6~8kg/cm2
Penggunaan udara: 25m3/j
Bekalan kuasa: 220V 50/60Hz
Penggunaan kuasa: 0.75Kw
Bunyi mesin tunggal: ≤70dB
Udara yang disucikan: 0.2μm
Masa pembersihan: 3~5s
Berat bersih: 350kgs
Dimensi keseluruhan: 1200 x 800 x 1600mm
Mesin Pengisian Minyak 4 Kepala Pengisi Linear

Mesin pengisian zaitun 4 kepala, dikawal oleh mikrokomputer, menggabungkan fotoelektrik dengan operasi pneumatik, dengan itu digunakan secara meluas untuk pengisian cecair kimia pertanian, larutan, detergen cecair, kosmetik serta zaitun.
Isipadu pengisian adalah tepat, tidak berbuih dan stabil. Mesin boleh mengisi cecair dengan julat dari 25-1000ml, sementara itu tidak ada keperluan khas pada bentuk botol. Maksudnya, ia boleh mengisi cecair untuk botol biasa dan juga botol berbentuk irugula.

Model: VK-PF
Julat pengisian: 50~3000ml
Kelajuan pengisian: <20-30b/m(untuk 500-1000ml cecair)
Ketepatan: ±1%
Kuasa / bekalan kuasa: 0.8kw, 220v
Tekanan kerja: 5~6kg/cm3
Penggunaan udara: 0.5-0.7mpa
NW: 500kg
Dimensi luar: 2000×800×1900mm
Tandakan: Nozel pengisian boleh direka bentuk dan dihasilkan mengikut keperluan daripada pelanggan pada julat pengisian dan kelajuan pengisian
Mesin Penutup Vakum Linear Vk-Vc Jars Capper Peralatan:
Mesin penutup linear ini dikaji dan dibangunkan oleh syarikat kami dengan pengalaman bertahun-tahun, ia adalah unik dalam domestik. Susun penutup automatik bersepadu dengan penutup, penutup vakum.
Pam vakum manual pakai untuk mencapai vakum tinggi. Dengan fungsi tanpa botol tanpa penutup, membimbangkan apabila tiada penutup tersedia. Menikmati automasi tinggi. Bahagian pneumatik dan elektrik utama adalah daripada jenama terkenal dunia.
Dengan prestasi yang stabil dan boleh dipercayai. Ia digunakan secara meluas untuk penutup vakum balang kaca dengan penutup besi dalam industri makanan dalam tin, minuman, perasa, produk penjagaan kesihatan dll.

Kuasa: ≤2.3KW(termasuk pam vakum)
Kapasiti pengeluaran: 50-60BPM
Diameter penutup: ¢30-¢55mm ¢50-¢85mm
Ketinggian botol: 80-250mm
Diameter botol: ¢30-¢85mm
Vakum maksimum: -0.08mpa
Kilasan pengehadan: 5-20N.M
Penggunaan udara: 0.6M3/0.7Mpa
Dimensi mesin: Kira-kira3000×1000×1900mm
Berat: Kira-kira 850kg
Mesin Pelabelan Balang Botol Bulat Vk-Rpl

Permohonan: Memerlukan permukaan lilitan label atau produk yang dilampirkan membran.
industri: Digunakan secara meluas dalam makanan, perubatan, kosmetik, kosmetik, elektronik, logam, plastik dan industri lain.
Permohonan: Pelabelan botol bulat PET, pelabelan botol plastik, makanan dalam tin dan sebagainya.

Panjang label yang sesuai (mm): 20mm ~ 314mm
Lebar Label yang berkenaan (lebar kertas sandaran / mm): 15mm ~ 150mm
Diameter Produk Berkenaan (untuk botol bulat) dan ketinggian: diameter: φ25mm ~ φ100mm
Ketinggian: 25mm ~ 230mm
Diameter gulungan standard yang berkenaan (mm): φ280mm
Diameter gulungan standard yang berkenaan (mm): φ76mm
Ketepatan pelabelan (mm): ± 1mm
Kelajuan standard (m / min): Servo: 5 ~ 25m/min Melangkah: 5 ~ 19m/min
Kelajuan pelabelan (pcs / min): Melangkah: 30 ~ 80pcs/min (dengan saiz botol dan label)
Servo: 40 ~ 120pcs/min
Kelajuan penghantar (m / min): 5 ~ 25m/min
Berat (kg): Kira-kira 185kg
Kekerapan (HZ): 50HZ Voltan (V): 220V
Kuasa (W): 530W (pelangkah daya tarikan) 980W (servo daya tarikan)
Dimensi peranti (mm) (L × W × H): 1950mm × 1100mm × 1300mm


Pembungkusan Kes Kayu:

Perkhidmatan Selepas Jualan Untuk Talian Pengisian

Kami menjamin kualiti bahagian utama dalam tempoh 12 bulan. Jika bahagian utama menjadi salah tanpa faktor tiruan dalam tempoh satu tahun, kami akan bebas menyediakannya atau mengekalkannya untuk anda. Selepas satu tahun, jika anda perlu menukar alat ganti, kami akan memberikan anda harga terbaik atau mengekalkannya di tapak anda. Setiap kali anda mempunyai soalan teknikal dalam menggunakannya, kami dengan bebas akan melakukan yang terbaik untuk menyokong anda.
Jaminan kualiti:
Pengilang hendaklah menjamin barangan diperbuat daripada bahan terbaik Pengilang, dengan mutu kerja kelas pertama, serba baharu, tidak digunakan dan sepadan dalam semua aspek dengan kualiti, spesifikasi dan prestasi seperti yang ditetapkan dalam kontrak ini. Tempoh jaminan kualiti adalah dalam tempoh 12 bulan dari tarikh B/L.
Pengilang akan membaiki mesin yang dikontrak secara percuma semasa tempoh jaminan kualiti.
Jika kerosakan boleh disebabkan oleh penggunaan yang tidak betul atau sebab lain oleh Pembeli, pengilang akan mengutip kos pembaikan bahagian.
Pemasangan dan Penyahpepijatan:
Penjual akan menghantar juruteranya untuk mengarahkan pemasangan dan penyahpepijatan. Kos akan ditanggung oleh pembeli (tiket penerbangan pergi dan balik, yuran penginapan di negara pembeli). Pembeli harus memberikan bantuan tapaknya untuk pemasangan dan penyahpepijatan.









